- Precision servo right-angle reducer
Bpt140-axis input servo commutator
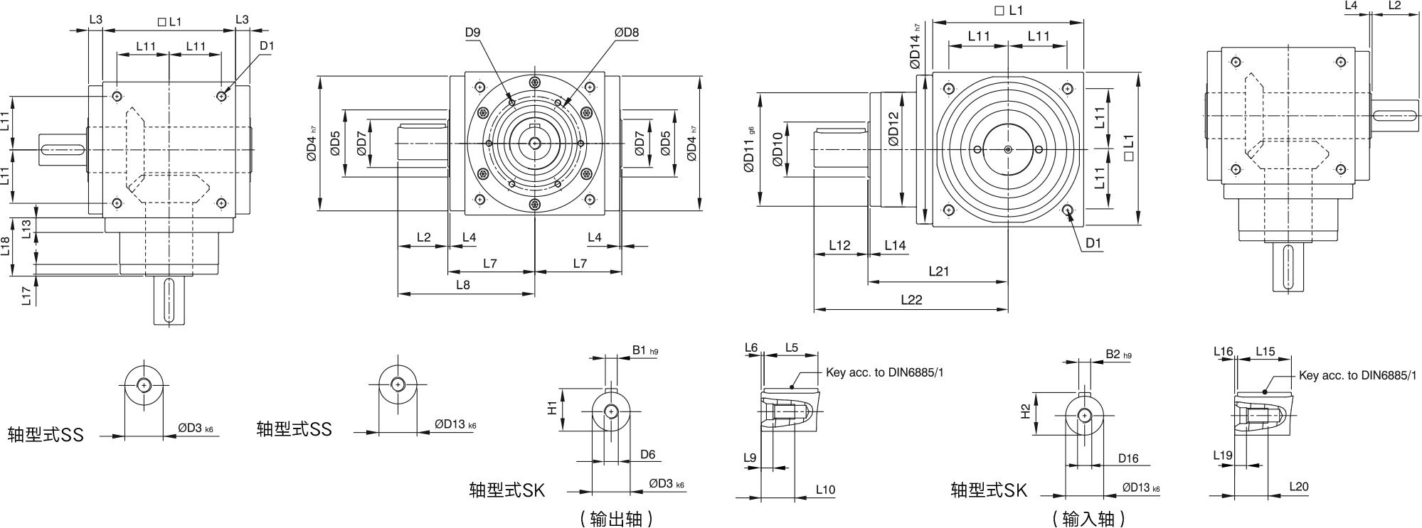
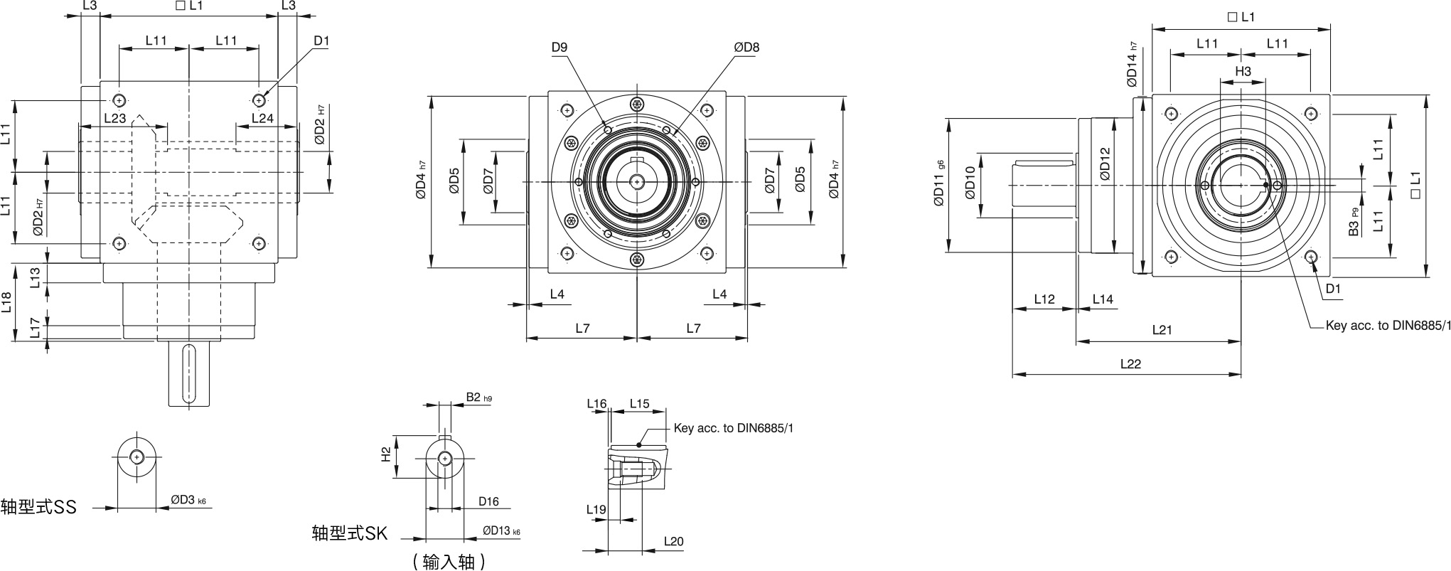
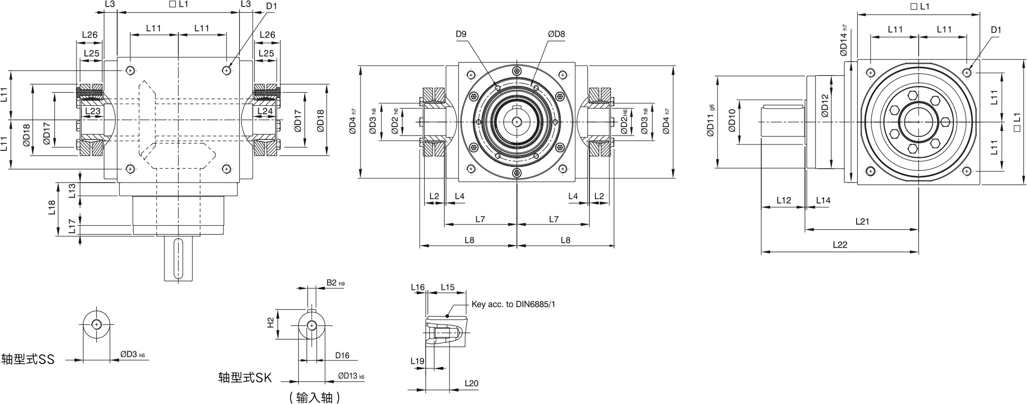
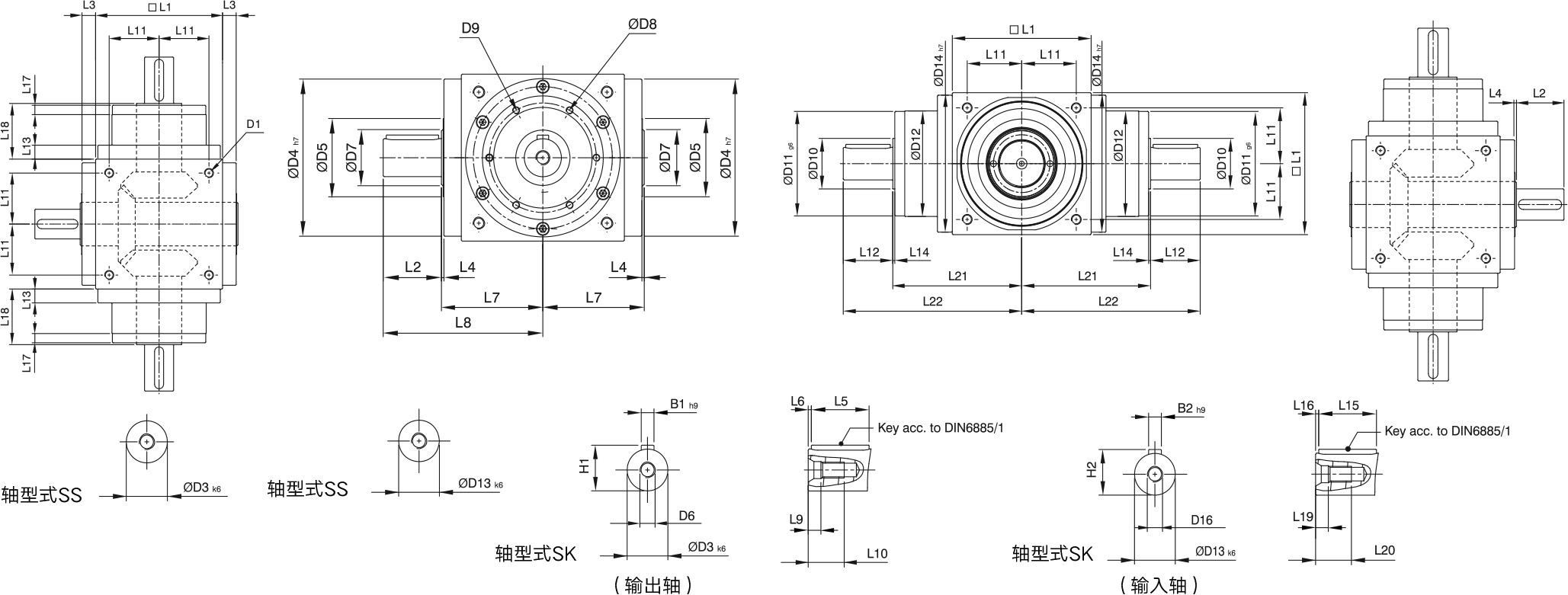
Structural Dimensions
Find best reducerHave Questions About Our Reducers?
For more CAD data or 3D models, please contact us directly at Bupermann.
| Specifications | Reduction Ratio | BPT065 | BPT075 | BPT090 | BPT110 | BPT140 | BPT170 | BPT210 | BPT240 | BPT280 |
|---|---|---|---|---|---|---|---|---|---|---|
| Rated Output Torque(Nm) | 1 | 25 | 45 | 78 | 150 | 360 | 585 | 1300 | 2150 | 3200 |
| 1.5 | 25 | 45 | 78 | 150 | 360 | 585 | 1500 | 2150 | 3200 | |
| 2 | 24 | 42 | 68 | 150 | 330 | 544 | 1220 | 2010 | 3050 | |
| 3 | 18 | 33 | 54 | 120 | 270 | 450 | 1020 | 1650 | 2850 | |
| 4 | 13 | 28 | 48 | 100 | 224 | 376 | 860 | 1410 | 2300 | |
| 5 | 12 | 25 | 40 | 85 | 196 | 320 | 740 | 1210 | 2000 | |
| Max. Acceleration Torque(Nm) | 1-5 | 1.5 Factor Rated Output Torque | ||||||||
| Max. Acceleration Input Speed(rpm) | 1-5 | 7500 | 6500 | 5500 | 4500 | 3500 | 3000 | 2200 | 2000 | 1700 |
| Backlash(arcmin) | 1-5 | ≤6 | ≤6 | ≤6 | ≤6 | ≤6 | ≤6 | ≤6 | ≤6 | ≤6 |
| Input Radial Force(N) | 1-5 | 700 | 950 | 1450 | 2100 | 2700 | 3800 | 7800 | 9600 | 10500 |
| Output Radial Force(N) | 1-5 | 900 | 1100 | 1700 | 2700 | 4800 | 6600 | 11500 | 16000 | 18000 |
| Input Axial Force(N) | 1-5 | 350 | 425 | 725 | 1050 | 1350 | 1900 | 3900 | 4800 | 5250 |
| Output Axial Force(N) | 1-5 | 450 | 550 | 850 | 1350 | 2400 | 3300 | 5750 | 8500 | 9000 |
| Service Life(hr) | 1-5 | >20000 | ||||||||
| Efficiency(%) | 1-5 | 98% | ||||||||
| Temperature(°C) | 1-5 | -10°C ~ +90°C | ||||||||
| Noise Level(dB) | 1-5 | ≤68 | ≤70 | ≤74 | ≤76 | ≤77 | ≤78 | ≤80 | ≤82 | ≤83 |
| Specifications | Unit | Reduction Ratio | BPT065 | BPT075 | BPT090 | BPT110 | BPT140 | BPT170 | BPT210 | BPT240 | BPT280 |
|---|---|---|---|---|---|---|---|---|---|---|---|
| Moment of Inertia | kg.cm2 | 1 | 0.51 | 1.30 | 3.16 | 7.70 | 23.57 | 58.99 | 195.40 | 369.34 | 799.12 |
| 1.5 | 0.64 | 1.16 | 2.82 | 6.74 | 19.37 | 49.28 | 155.45 | 283.58 | 595.78 | ||
| 2 | 0.44 | 1.11 | 2.70 | 6.31 | 17.75 | 45.35 | 140.24 | 249.74 | 511.76 | ||
| 3 | 0.43 | 1.09 | 2.66 | 6.17 | 17.18 | 44.01 | 134.95 | 237.71 | 483.06 | ||
| 4 | 0.43 | 1.09 | 2.65 | 6.13 | 17.06 | 43.70 | 133.58 | 234.72 | 476.26 | ||
| 5 | 0.43 | 1.09 | 2.65 | 6.12 | 17.02 | 43.60 | 133.14 | 233.67 | 473.58 |












Feel free to contact us anytime.
If you have any questions about our product solutions, our customer support team will assist you promptly. Our experts are pleased to serve you.
Related Products toPrecision reducer
Professionalism: Your Ideal Partner
We provide the correct selection calculation for each application requirement. However, we hope that you experience the process yourself: filter, configure, and design the drive system. Everything is possible —— just a few clicks.
Reducer Quick Selection
We provide the correct software for each application requirement. However, we hope that you experience the process yourself: filter, configure, and design the drive system. Everything is possible —— just a few clicks.
3D Model and Drawing Download
We provide the correct software for each application requirement. However, we hope that you experience the process yourself: filter, configure, and design the drive system. Everything is possible —— just a few clicks.






