- Precision servo right-angle reducer
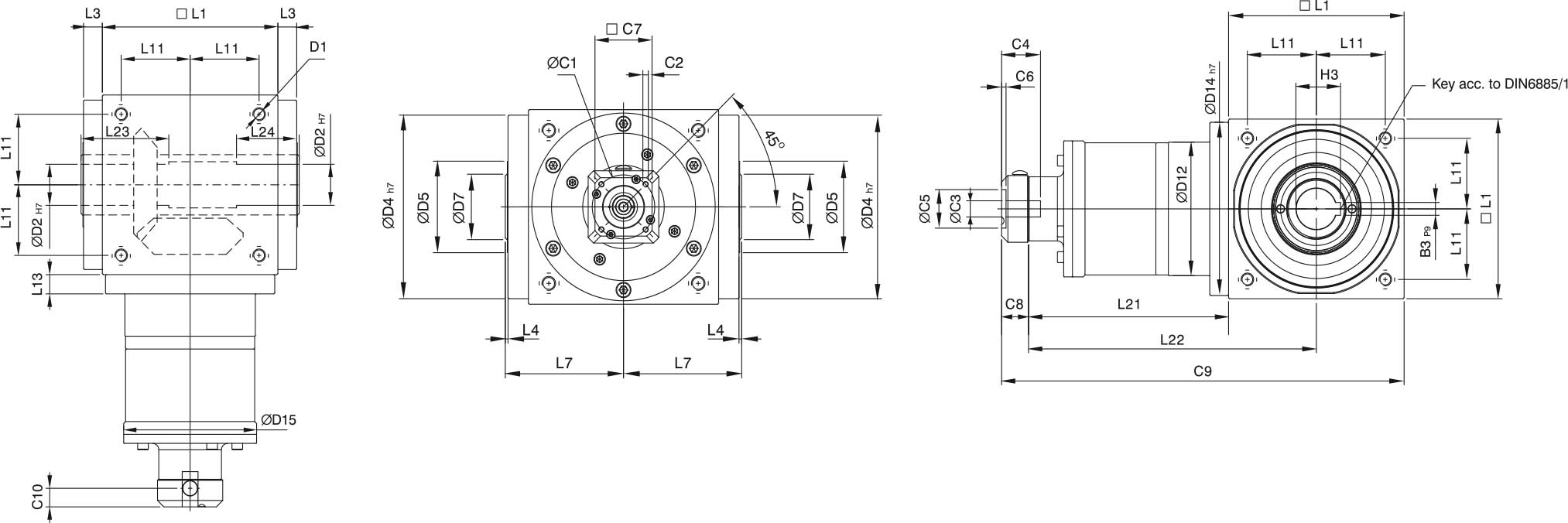
BPTF065 flange input type right-angle reducer
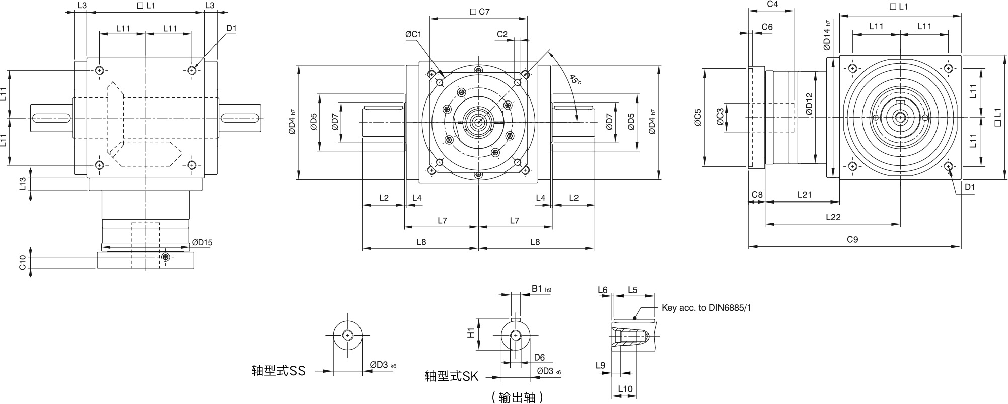
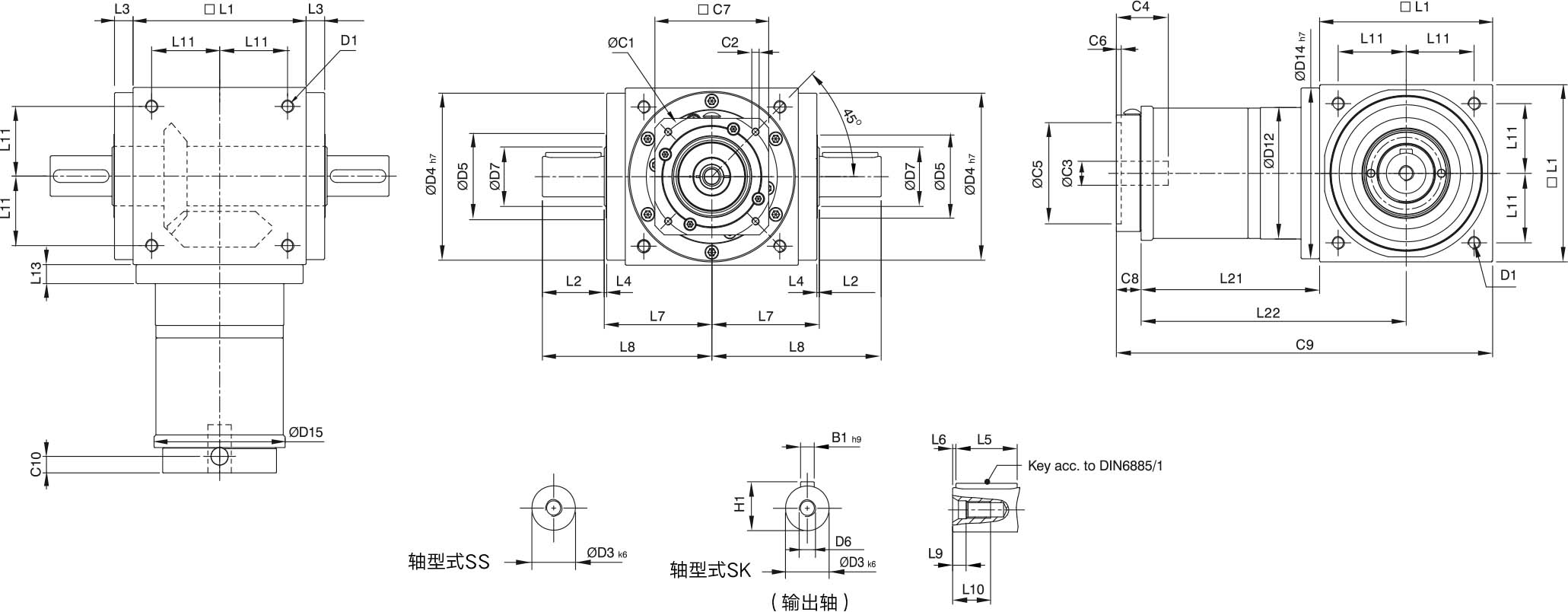
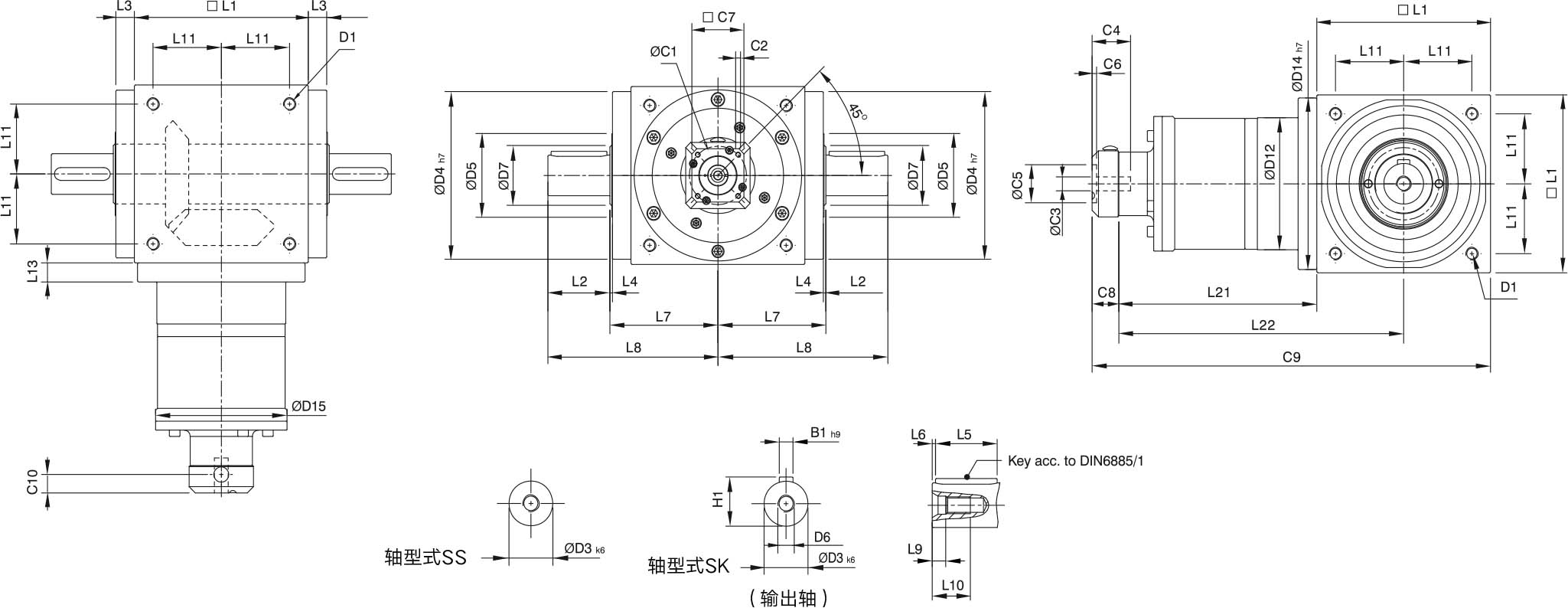
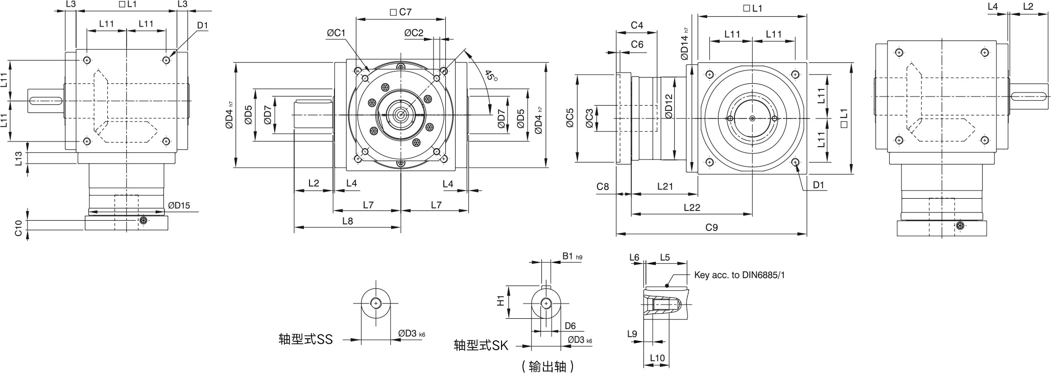
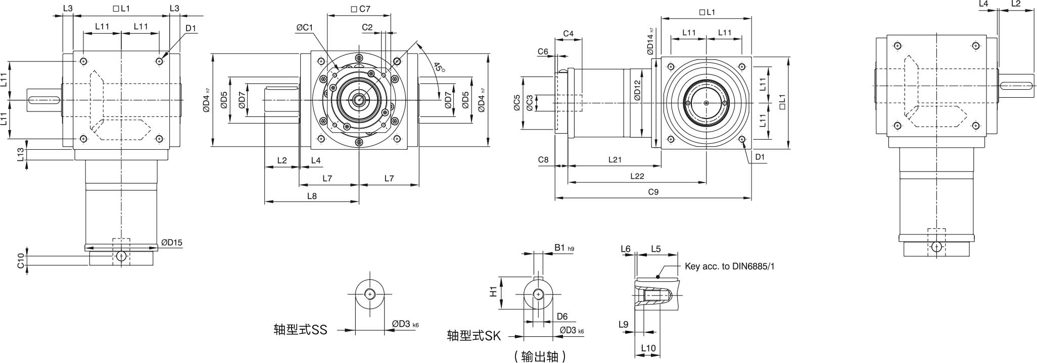
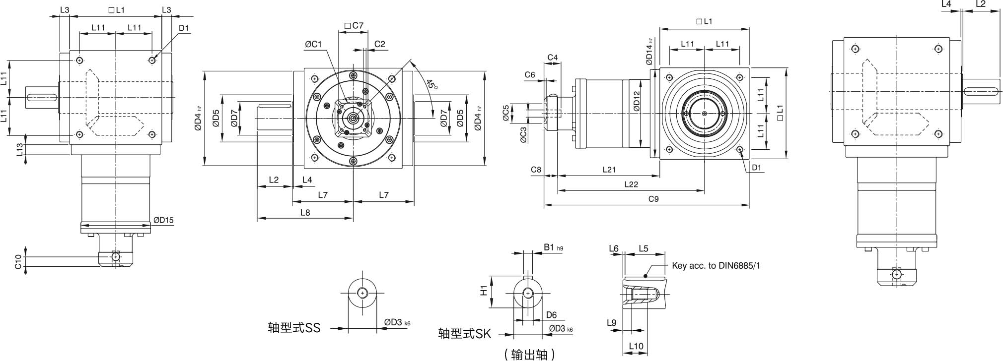
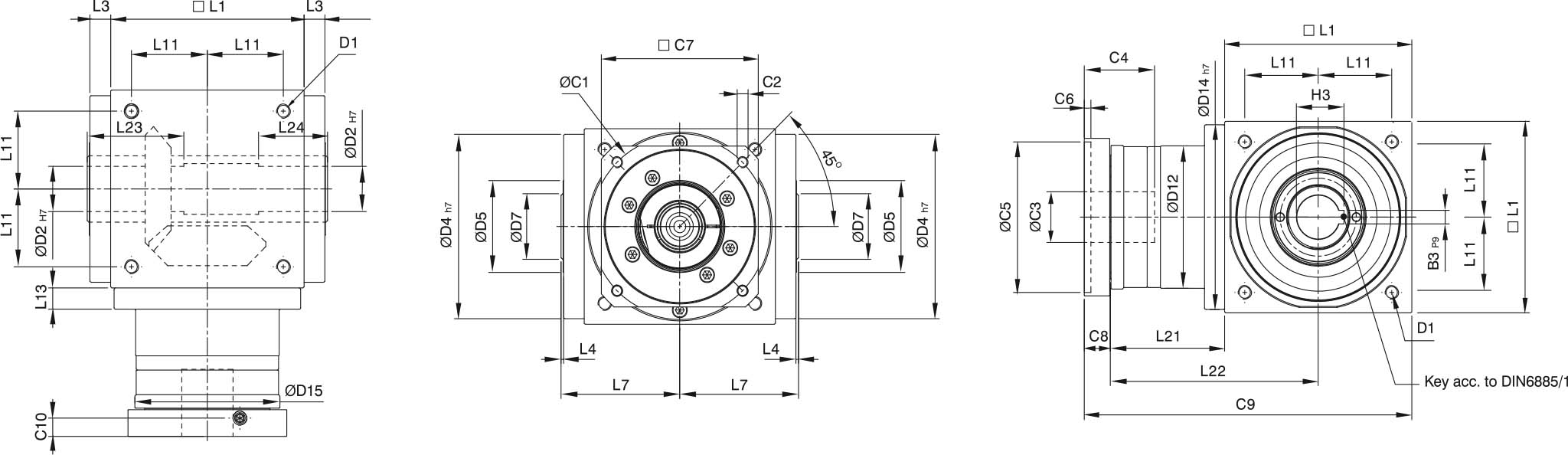
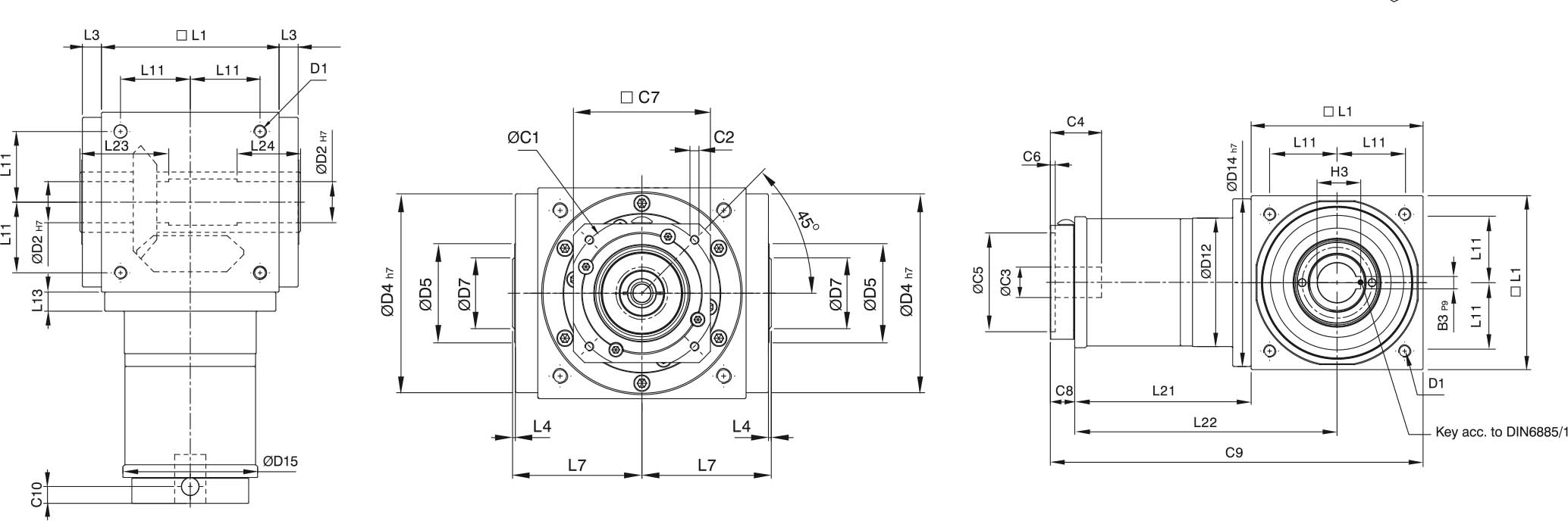
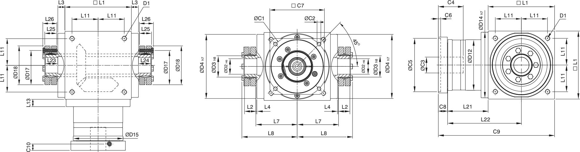
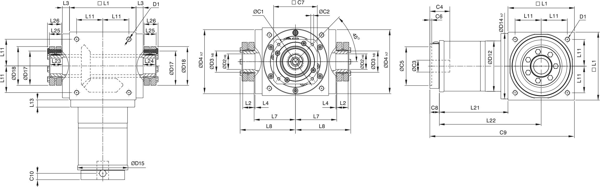
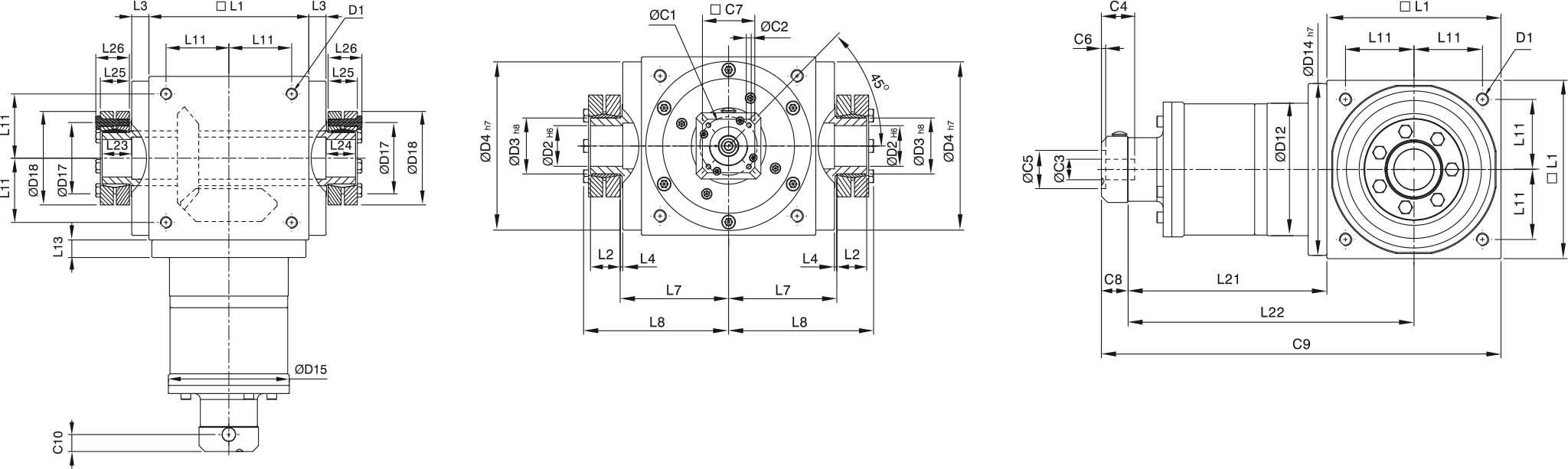
Structural Dimensions
Find best reducerHave Questions About Our Reducers?
For more CAD data or 3D models, please contact us directly at Bupermann.
| Specifications | Stage | Reduction Ratio | BPTF065 | BPTF075 | BPTF090 | BPTF110 | BPTF140 | BPTF170 | BPTF210 | BPTF240 | BPTF280 |
|---|---|---|---|---|---|---|---|---|---|---|---|
| Rated Output TorqueNm | L1 | 1 | 25 | 45 | 78 | 150 | 360 | 585 | 1300 | 2150 | 3200 |
| L1 | 1.5 | 25 | 45 | 78 | 150 | 360 | 585 | 1300 | 2150 | 3200 | |
| L1 | 2 | 24 | 42 | 68 | 150 | 330 | 544 | 1220 | 2010 | 3020 | |
| L1 | 3 | 18 | 33 | 54 | 120 | 270 | 450 | 1020 | 1650 | 2850 | |
| L1 | 4 | 13 | 28 | 48 | 100 | 224 | 376 | 860 | 1410 | 2300 | |
| L1 | 5 | 12 | 25 | 40 | 85 | 196 | 320 | 740 | 1210 | 2000 | |
| L2 | 7 | 12 | 12 | 33 | 91 | 91 | 91 | 195 | 358 | 358 | |
| L2 | 10 | 24 | 28 | 68 | 150 | 208 | 208 | 430 | 846 | 846 | |
| L2 | 15 | 18 | 33 | 57 | 120 | 270 | 312 | 645 | 1269 | 1269 | |
| L2 | 20 | 13 | 28 | 48 | 100 | 224 | 376 | 860 | 1410 | 1692 | |
| L2 | 25 | 12 | 25 | 40 | 85 | 196 | 320 | 740 | 1210 | 2000 | |
| L2 | 35 | 12 | 25 | 40 | 85 | 196 | 320 | 740 | 1210 | 1790 | |
| L2 | 50 | 12 | 25 | 40 | 85 | 196 | 320 | 740 | 1210 | 1465 | |
| L3 | 75 | / | / | / | 120 | 210 | 312 | 585 | 1269 | 1269 | |
| L3 | 100 | / | / | / | 100 | 224 | 376 | 780 | 1410 | 1292 | |
| L3 | 125 | / | / | / | 85 | 196 | 320 | 740 | 1210 | 2000 | |
| L3 | 150 | / | / | / | 120 | 135 | 312 | 390 | 975 | 975 | |
| L3 | 200 | / | / | / | 100 | 180 | 376 | 520 | 1300 | 1300 | |
| L3 | 250 | / | / | / | 85 | 196 | 320 | 650 | 1210 | 1625 | |
| L3 | 350 | / | / | / | 85 | 196 | 320 | 650 | 1210 | 1790 | |
| L3 | 500 | / | / | / | 85 | 196 | 320 | 650 | 1210 | 1465 | |
| E-Stop Torque | L1~L3 | rpm | 1.5 Factor Rated Output Torque | ||||||||
| Max. Input Speed | L1~L3 | rpm | 7500-8000 | 6500-8000 | 5500-6000 | 4500-8000 | 3500-8000 | 3000-6000 | 2200-6000 | 2000-6000 | 1700-6000 |
| Backlash | L1~L3 | arcmin | 6-8 | 6-8 | 6-8 | 6-10 | 6-10 | 6-10 | 6-10 | 6-10 | 6-10 |
| Allowable Radial Force(输出轴) | L1~L3 | N | 900 | 1100 | 1700 | 2700 | 4800 | 6600 | 11500 | 16000 | 18000 |
| Allowable Axial Force(输出轴) | L1~L3 | N | 450 | 550 | 850 | 1350 | 2400 | 3300 | 5750 | 8500 | 9000 |
| Service Life | L1~L3 | hr | ≥20000 | ||||||||
| Full-load Efficiency | L1~L3 | % | 94-98 | ||||||||
| Operating Temperature | L1~L3 | °C | -10ºC ~ 90ºC | ||||||||
| Weight | L1~L3 | kg | 2.8-3.2 | 4.4-4.8 | 7.1-8.1 | 12.1-13.9 | 20.9-24.2 | 36.1-38.8 | 69.4-74.1 | 101.2-112.4 | 158.3-171.0 |
| Operating Noise | L1~L3 | dB | ≤71 | ≤72 | ≤76 | ≤77 | ≤78 | ≤79 | ≤81 | ≤83 | ≤84 |
| Specifications | Unit | Reduction Ratio | BPTF065 | BPTF075 | BPTF090 | BPTF110 | BPTF140 | BPTF170 | BPTF210 | BPTF240 | BPTF280 |
|---|---|---|---|---|---|---|---|---|---|---|---|
| Moment of Inertia | kg.cm2 | 1 | 0.51 | 1.30 | 3.14 | 7.62 | 23.54 | 59.09 | 195.96 | 365.38 | 787.63 |
| 1.5 | 0.46 | 1.15 | 2.80 | 6.65 | 19.34 | 49.38 | 156.02 | 279.62 | 584.28 | ||
| 2 | 0.44 | 1.10 | 2.68 | 6.23 | 17.72 | 45.44 | 140.80 | 245.78 | 500.26 | ||
| 3 | 0.43 | 1.09 | 2.64 | 6.08 | 17.16 | 44.11 | 135.51 | 233.75 | 471.56 | ||
| 4 | 0.43 | 1.08 | 2.63 | 6.05 | 17.03 | 43.79 | 134.14 | 230.77 | 464.76 | ||
| 5 | 0.43 | 1.08 | 2.63 | 6.04 | 16.99 | 43.39 | 133.71 | 229.71 | 462.08 | ||
| 7 | 0.15 | 0.15 | 0.50 | 2.79 | 2.79 | 2.79 | 9.91 | 29.26 | 29.26 | ||
| 10 | 0.15 | 0.15 | 0.50 | 2.80 | 2.80 | 2.80 | 9.96 | 29.43 | 29.43 | ||
| 15 | 0.15 | 0.15 | 0.50 | 2.80 | 2.80 | 2.80 | 9.96 | 29.43 | 29.43 | ||
| 20 | 0.15 | 0.15 | 0.50 | 2.80 | 2.80 | 2.80 | 9.96 | 29.43 | 29.43 | ||
| 25 | 0.15 | 0.15 | 0.50 | 2.80 | 2.80 | 2.80 | 9.96 | 29.43 | 29.43 | ||
| 35 | 0.15 | 0.15 | 0.50 | 2.79 | 2.79 | 2.79 | 9.91 | 29.26 | 29.26 | ||
| 50 | 0.15 | 0.15 | 0.50 | 2.79 | 2.79 | 2.79 | 9.89 | 29.20 | 29.20 | ||
| 75 | / | / | / | 0.15 | 0.15 | 0.50 | 0.50 | 2.80 | 2.80 | ||
| 100 | / | / | / | 0.15 | 0.15 | 0.50 | 0.50 | 2.80 | 2.80 | ||
| 125 | / | / | / | 0.15 | 0.15 | 0.50 | 0.50 | 2.80 | 2.80 | ||
| 150 | / | / | / | 0.15 | 0.15 | 0.50 | 0.50 | 2.79 | 2.79 | ||
| 200 | / | / | / | 0.15 | 0.15 | 0.50 | 0.50 | 2.79 | 2.79 | ||
| 250 | / | / | / | 0.15 | 0.15 | 0.50 | 0.50 | 2.79 | 2.79 | ||
| 350 | / | / | / | 0.15 | 0.15 | 0.50 | 0.50 | 2.79 | 2.79 | ||
| 500 | / | / | / | 0.15 | 0.15 | 0.50 | 0.50 | 2.79 | 2.79 |
单节 Reduction Ratio 1~5


单节 Reduction Ratio 7~50


单节 Reduction Ratio 75~500


单节 Reduction Ratio 1~5


单节 Reduction Ratio 7~50


单节 Reduction Ratio 75~500


单节 Reduction Ratio 1~5


单节 Reduction Ratio 7~50


单节 Reduction Ratio 75~500


单节 Reduction Ratio 1~5


单节 Reduction Ratio 7~50


单节 Reduction Ratio 75~500


Feel free to contact us anytime.
If you have any questions about our product solutions, our customer support team will assist you promptly. Our experts are pleased to serve you.
Related Products toPrecision reducer
Professionalism: Your Ideal Partner
We provide the correct selection calculation for each application requirement. However, we hope that you experience the process yourself: filter, configure, and design the drive system. Everything is possible —— just a few clicks.
Reducer Quick Selection
We provide the correct software for each application requirement. However, we hope that you experience the process yourself: filter, configure, and design the drive system. Everything is possible —— just a few clicks.
3D Model and Drawing Download
We provide the correct software for each application requirement. However, we hope that you experience the process yourself: filter, configure, and design the drive system. Everything is possible —— just a few clicks.




